Схема подключения электрической конфорки. Электра
- Схема подключения электрической конфорки. Электра
- Как подключить конфорку с 3 контактами. Как подключить переключатель ПМЭ-27-2375 П, вал 23 мм (ПМ-7 856) к конфорке .
- Подключение переключателя пм-4. Переключатель мощности конфорки электроплиты.
- Как подключить конфорку с 4 контактами на 2 контакта. Мечта
- Схема подключения тэна электроплиты Мечта. Ремонт электроплиты Мечта
- Схема подключения конфорок электроплиты лысьва. Самостоятельное подключение электрической плиты
- Как проверить 4 контактную конфорку. Конфорка электроплиты. Простой ремонт.
- Схема конфорки с 4 контактами. Распространенные модели
Схема подключения электрической конфорки. Электра

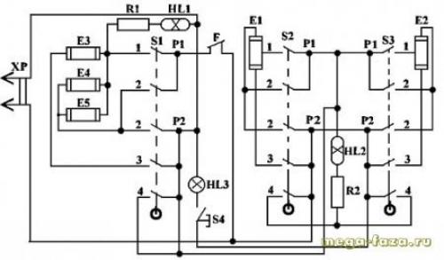
Электра является одной из тех плит, которые устанавливались в новостройках или докупались самостоятельно. Речь идет о плите с модельным номером 1002. Схема, которая была разработана конструкторами для подключения не отличается особой сложностью, поэтому разобраться сможет даже человек, далекий от электричества. На верхней части плиты находится четыре нагревательных элемента. Каждый из них обозначается цифрой от 1 до 4 и имеет буквенный индекс «Н». Первые две конфорки плиты являются именно ТЭНами, т. е. трубчатыми нагревателями. Элемент под порядковым номером 3 выполнен из чугуна и имеет большой диаметр в 20 см. Четвертый элемент выполнен подобно третьему, но его диаметр немного меньше и составляет 14 см.

На каждую конфорку плиты идет свой переключатель. Они также имеют цифровое обозначение, но первые два имеют приставку из буквы «Р», а третий и четвертый – из буквы «П». Последние имеют преимущество регулировки мощности на семь ступеней, что позволяет выбрать требуемый режим. Духовой шкаф плиты имеет отдельный регулятор на три положения. Он обозначается сокращением «ПШ». Индикаторные лампы на схеме имеют обозначение буквой «Л» и порядковым номером от 1 до 4, который также соответствует и номеру конфорки. Для духового шкафа также есть своя лампа, которая обозначена цифрой 5. В духовке находятся еще два нагревательных элемента, которые обозначены цифрами 5 и 6 с соответствующей буквой. Седьмой нагреватель находится в верхней части духовки и представляет собой гриль.

Замена любого из ТЭНов заключается в том, что он первым делом демонтируется с плитки. Для этого придется снять защитные колпаки и планки. Во время разборки можно проследить, куда в плите уходят проводники от конкретного нагревателя. Если провода расплавились, тогда уточнить этот момент можно по схеме, которая приведена выше. На ней также находится порядок подключения питающей линии. Новый нагреватель просто устанавливается в плиту, фиксируется и подключается.
Как подключить конфорку с 3 контактами. Как подключить переключатель ПМЭ-27-2375 П, вал 23 мм (ПМ-7 856) к конфорке .
Монтажная часть конфорки содержит символы 1-2-4-3
Монтажная часть переключателя содержит символы 1-2-3-4-5 с одной стороны P1-P2 с другой.
Провод из конфорки из позиции крепления 1 должен быть подключен к переключателю с крепежной позицией 4
Провод из конфорки из позиции крепления 2 должен быть подключен к переключателю с крепежной позицией 3
Провод из конфорки из позиции крепления 4 должен быть подключен к переключателю с крепежной позицией 1
Провод из конфорки из позиции крепления 3 должен быть подключен к переключателю с крепежной позицией 2
На провода с позициями P1 и P2 Подается питание. Подачу питания нужно уточнить на схеме в инструкции. Вы должны понимать, что питание должно приходить от распределителя в плите. Ни в коем случае не должно получиться так, что все 4 переключателя последовательно будут соединены между собой. В этом случае на провода соединяющие переключатели будет увеличена нагрузка.
2 провода лампы присоединяются к позициям переключателя 5 и P2 к незанятому контакту.
При правильном подключении, переключатель против часовой стрелки будет увеличивать температуру конфорки .
Как подключить Переключатель ПМ 16-07-03, вал 16 мм (ПМ 16-7-03) к конфорке
Монтажная часть переключателя содержит символы 1-2-3-4-5 с одной стороны P1-P2 с другой.
На провода с позициями P1 и P2 Подается питание. Подачу питания нужно уточнить на схеме в инструкции. Вы должны понимать, что питание должно приходить от распределителя в плите. Ни в коем случае не должно получиться так, что все 4 переключателя последовательно будут соединены между собой. В этом случае на провода соединяющие переключатели будет увеличена нагрузка.
2 провода лампы присоединяются к позициям переключателя 5 и P2 к незанятому контакту.
При правильном подключении, переключатель по часовой стрелке будет увеличивать температуру конфорки .
Подключение переключателя пм-4. Переключатель мощности конфорки электроплиты.
Маленький, беленький, с коричневой серединкой — по такому описанию вряд ли можно подобрать переключатель мощности для ремонта электроплиты . Если мастер диагностировал заменить переключатель мощности конфорки (переключатель рабочих режимов), то прежде всего нужно знать его маркировку. Маркировка переключателя обычно нанесена на одной из его поверхностей. Правда, бывают случаи, что на переключателе нет маркировки или есть маркировка завода изготовителя. Тогда он подбирается по модели электроплиты. Ниже приводим классификацию и описание переключателей мощности конфорок , которые можно купить в нашем магазине.
Классификация переключателей бытовых электроплит.
Прежде всего, переключатели электроплит делятся на переключатели мощности конфорок и переключатели режимов духовки . В этой статье, в основном, речь о конфорочных переключателях…
Переключатели по типу бывают ступенчатыми , т.е рабочие режимы переключаются с щелчком и плавные — без ступенчатые переключатели . Плавные бесступенчатые переключатели называют еще регуляторами мощности (РМ) . Ступенчатые переключатели мощности (ПМ) в зависимости от коммутации разделяют на 2-х позиционные ( ПМ 2 ), 3-х позиционные ( ПМ 3 ), 4-х позиционные ( ПМ 4 ), 5-ти позиционные ( ПМ 5 ), 6-ти позиционные ( ПМ 6 ) , 7-ми позиционные ( ПМ 7 ) и т.д. Бывают даже 10-ти и выше позиционные переключатели, но они, как правило, встречаются в плитах импортного производства и служат, в основном, для переключения режимов духовки.
2-х и 3-х позиционные переключатели еще называют блокираторами, т.е. такой переключатель, например, может стоять для переключения режимов «только конфорки» или «только духовка».
Определить, сколько ступеней у переключателя можно, например, по разметке на ручке переключения. Так, семипозиционному переключателю мощности конфорки соответствует разметка «0» и 6 рабочих позиций. На большинстве плит переключатели чугунных конфорок именно 7 — ми позиционные, но при этом модели переключателей отличаются коммутацией, типом крепления и длинной вала, на который крепиться ручка.
УХЛ4 , например, в маркировке переключателя обозначает использование в нашей климатической зоне
Переключатели мощности конфорок.
1. Модель ПМЭ27-2375 . 
7-позиционный переключатель мощности конфорок электроплит ЗВИ, Дарина, Электра, Ладога, Лысьва, Флама, Омга, Комфорт, Электролюкс, Элта, Кинг, Лада, Тайга
Используется как для чугунных конфорок, так и для переключения мощности конфорок стеклокерамических варочных панелей ( например, в плитах ЗВИ)
Имеет длину вала 23 мм.
2. Модель ПМЭ27-23711
7 -позиционный переключатель мощности конфорок, применяется в электроплитах Лысьва, Электролюкс, Комфорт, Лада.
Вал длинной 23 мм
Переключатели ПМЭ27-23711 и АС6.Т29.688 А взаимозаменяемые!
Как подключить конфорку с 4 контактами на 2 контакта. Мечта
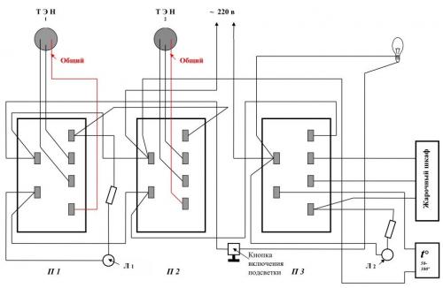
Еще более популярной, чем Электра, была плита Мечта с модельным номером 8. Она представляет собой небольшую духовку, на верхней грани которых располагается два ТЭНа. На схемах к этой плите нагреватели, которые находятся на конфорках обозначаются цифрами 1 и 2, рядом с ними находится буквенный индекс «Е». Нагреватели с 3 по 5 находятся внутри духовки. Основной модуль, благодаря которому выполняется настройкой обозначается цифрами 1 по 4 и имеет индекс S. В конструкции предусмотрены световые индикаторы. Они могли сигнализировать о работе конфорок, ТЭНов внутри духовки и просто подсветку. В паспорте они обозначены как HL и имеют цифры от 1 до 3.
Обратите внимание! На схеме также можно найти элемент с обозначением Т-300. Это тепловое реле, которое отвечало за отключение при достижении определенной температуры.
В плите реализована возможность управления интенсивностью нагрева. Оно производится переключателем S1. Благодаря замыканию контактов электрический ток поступает от вилки, которая обозначена XP и через предохранитель F подается на нагреватель, который находится в духовке. Он соединен последовательно с остальными ТЭНами, которые находятся в духовке. Это означает, что до того, как выполнить замену, необходимо определить, какой конкретно нагреватель вышел из строя. Сделать это можно изменением положения переключателя в такое положение, чтобы питание подавалось отдельно на один или два нагревателя в духовке. Для каждой конфорки также есть свой переключатель. На схеме обозначено, как идут провода для подключения каждого отдельного нагревателя.
Схема подключения тэна электроплиты Мечта. Ремонт электроплиты Мечта

На днях, мне пришлось столкнуться с ремонтом электрической плиты Мечта, точнее сказать с ремонтом духовки данного изделия.
По рассказам хозяев данного чуда, плита периодически живёт своей жизнью, то одна конфорка не работает, спустя время начинает работать, но не реагирует другая. Духовка трудолюбиво накормила своих домочадцев на новогодние праздники, а на рождество наотрез отказалась печь гуся. В таком состоянии я её и застал. На включение духового шкафа, плита реагировала только подсветкой духовки, давать тепло, а тем более печь пироги, она категорически отказывалась.
Приехав по звонку, я особо не готовился к глобальному ремонту электроплиты Мечта 12-03 (кстати, принцип расключения с другими моделями схож ). Взял с собой походный ящик с необходимыми инструментами и поехал на заявку.
Беглый осмотр основных электрических соединений плиты не дал никаких результатов. Всё было на своих местах и в очень удовлетворительном состоянии. ОК. Отсутствие быстрого результата – тоже результат. Далее пошёл по стандартной цепочке от силовых входящих распределительных клемм. По ходу цепочки проверил термостат электроплиты Мечта – без нареканий, и медленно но уверенно следуя по наглядной схеме, подобрался к переключателю мощности ПМ-16-5-01.
То, что через него не проходил ноль, я понял сразу, но не снимать переключатель, ни разгадывать ребусы зигзагов пятиступенчатого переключателя не стал, решив подготовившись, творчески подойти к процессу.
Так же, как и обнаружить с наскока неисправность духовки электроплиты Мечта, мне не удалось найти схему подключения данной чудо техники. Но нашёл важнее, режимы работы пятиконтактного переключателя мощности. Что касаемо схемы электроплиты Мечта, вопрос был решён следующим образом. Хоть и визуальная, а главное до меня никем не нарушенная схема у меня была, но сделав запрос на завод изготовитель, к своему удивлению, я довольно быстро получил ответ, а следом и монтажную схему электрической плиты Мечта 12-03, за что отдельное спасибо менеджеру Наталье, с данного производства.
Вооружившись схемами, я совершил повторную атаку на ремонт электрической духовки чудо плиты Мечта.
Мои первоначальные предположения подтвердились, неисправность скрывалась в переключателе режима духовки, а конкретней, два контакта от нагрева «поплыли» в сторону, а контактные пластины имели каленый вид от перегрева. Вердикт – переключатель мощности режимов духового шкафа Мечта, под замену.
Но, поскольку в нашем городе, таких переключателей в наличии не нашлось, только под заказ, по просьбе хозяев плиты «сделать хоть что-нибудь», поведённые отходящие контакты были восстановлены на место, посредством прогрева, а сами контактные поверхности очищены от обугливания спиртом, (к счастью их поверхность при подгорании не пострадала).
Как вариант, для временной трудоспособности переключателя мощности ПМ-16-5-01 и других из этой же серии, если «подгоревший» контакт деформировался от температуры и не замыкает контактную пластину, его можно подогнуть. По месту это сделать не получится, а сняв контактную группу с корпуса, предварительно вытащив удерживающую его контактную перемычку (указано на фото стрелкой), его возможно подогнуть.
При этом, учитывая температурную деформацию и ослабления металла, угол подгибания берите градусов на 20 больше соседних рабочих контактов. Перед установкой переключателя на электрическую плиту Мечта, убедитесь, что согласно рабочим режимам «подлеченный» контакт замыкает группу, а в остальных режимах имеется видимый разрыв.
Гарантию на такой ремонт электроплиты Мечта дать сложно, но до прихода нового переключателя мощности, она точно продержится.
В завершении своего описания по ремонту электрической плиты, выложу все схемы, что удалось найти в сети и те что прислал завод изготовитель (кстати, в моём случае фактический монтаж отличался от заводской схемы).
Схема контактных групп переключателя мощности ПМ-16-5-01

Так выглядит непосредственно сам переключатель духовки (да и конфорок) электроплиты Мечта:

Электрическая схема электроплиты с духовкой Мечта (хоть и двух конфорочная, но расключение проводов переключателя духовки совпадает.



Схема подключения конфорок электроплиты лысьва. Самостоятельное подключение электрической плиты
Перед тем как начать любые работы по подключению к сети электрического оборудования, нужно тщательно изучить технический паспорт изделия, который должен обязательно прилагаться, а также ознакомиться с такими нормативными документами как ПУЭ 7 издания и ПТЭЭП.
Пошаговая инструкция подключения электроплит electrolux ekc (электролюкс), zanussi (занусси), hansa (ханса), gorenje (горение), bosch (бош), ariston (аристон), beko (веко), hotpoint, indesit (индезит), greta, kaiser (кайзер), aeg, норд эп, самсунг к электросети:
Шаг 1 – Кабели питания, автоматический выключатель и УЗО
Подвод питания электроплиты должен осуществляться независимым кабелем, идущим напрямую в распределительный щит квартиры. Для прокладки кабеля от щита к розетке, можно использовать кабеля марок: ВВГ; ВВГ-нг; ПВС; ШВВП. А от розетки к плите, лучше подключить многожильными проводами, например ПВС или КГ, которые более устойчивые к излому при многократном изгибе во время эксплуатации.
Сечение кабеля зависит он напряжение сети, количества фаз и потребляемой мощности. Зная эти параметры, можно подобрать подходящий кабель из таблицы. Сечение проводников лучше брать с запасом на один порядок больше.

Таблица: подбор сечения кабеля
Подключение должно осуществляться от отдельного автоматического выключателя. Номинальный ток автомата должен быть выше на один номинал, чем ток потребления электроплиты.
Все характеристики электроплиты можно найти в технической документации которая прилагается при покупке, так же их указывают на корпусе. Время-токовая характеристика автоматического выключателя должна быть группы С.
Так же желательно установить и устройство защитного отключения (УЗО), которое обезопасит человека от поражения электрическим током, при случайном прикосновении к неисправному оборудованию. УЗО устанавливается рядом с автоматическим выключателем, и подключается после него. Его номинал должен быть на порядок меньше, чем автомат. Ток утечки на землю не более 30 мА. Все винтовые зажимы должны быть тщательно зажаты, так как через них будет проходить большой ток.
Шаг 2 – Установка розетки
Далеко не в каждой квартире, на кухне есть силовая розетка, предназначенная для подключения мощной техники, потребляющей более 3 кВт. Обычно это однофазная силовая розетка, которая рассчитана на номинальный ток 32 А или 40 А.
Предлагаем рассмотреть, как правильно выбрать и установить розетку для электрической плиты :
- Розетка должна быть выполнена из качественных материалов, и обеспечивать надежный электрический контакт.
- Количество контактов должно соответствовать количеству жил проводов. Запрещается соединять провода вместе, подключая их к одному контакту.
- Для подключения розетки используйте только медный кабель.
- Сечение кабеля должно соответствовать таблице приведенной выше.
- Розетка устанавливается на ровную, не горючую поверхность.
- Если у вас кирпичная стена, накладную розетку желательно установить на специальную подкладку, это не даст основанию розетки треснуть при монтаже.
- Не устанавливайте розетку слишком близко к горячим поверхностям, рукомойникам, железным трубам, оконным и дверным проемам.
- При замене старой розетке, убедитесь что изоляция проводов не повреждена и нет следов перегрева кабеля.
- Цвета проводов должны совпадать назначению проводов, как в розетке, так и в вилке.
- Все винтовые зажимы должны быть закреплены должным образом. Многожильные провода следует предварительно пропаять паяльником, в месте их крепления к контактам розетки.
- После установки розетки, убедитесь в правильности подключения проводов. С помощью мультиметра проверьте отсутствия короткого замыкания.
Как проверить 4 контактную конфорку. Конфорка электроплиты. Простой ремонт.
Конфорка не греет. Омметр на ее клеммах показывает обрыв. Рассказано о простом способе ремонта.
Ремонт конфорки рассмотрим на примере электроплиты «Термия». Многие другие электроплиты с конфорками имеют аналогичную конструкцию.
Выключаем из розетки и откручиваем снизу две гайки под отвертку. Устройство электроплиты довольно простое и понятно из фото ниже.

Поскольку конфорки подключены к сети параллельно, то необходимо повернуть регуляторы температуры в положение, при котором их контакты будут разомкнуты. Затем по очереди омметром прозваниваем спирали конфорки прямо на клеммах. Как видно, клеммы имеют 4 контакта, но 1 ее контакт соединен перемычкой со 2, а 3 с 4. Омметр подключаем к клеммам 1 и 4. Конфорка 1 исправна, ее сопротивление около 40 Ом. Конфорка 2 показывает обрыв.
Отсоединяем от клеммы 2 все провода, запомнив или сфотографировав их расположение. Открутив гайку по центру, снимаем конфорку 2. Далее необходимо снять защиту, термоизоляцию и выкрутить шпильку по центу конфорки.
Здесь мы видим выводы, три из которых оборваны.

Необходимо прозвонить спирали используя оставшиеся выводы. У меня спирали целые, поэтому восстановление возможно. На конфорке сделано 4 вывода для того, чтобы можно было регулировать ее мощность переключателем. В нашем случае используется регуляторы температуры на биметаллических пластинах. Поэтому выводы конфорки соединены на клеммах попарно. Можно это соединение выполнить прямо здесь. Для этого удобно использовать клеммы от старой розетки или выключателя. Они показаны на фото ниже.

В месте соединения выводы зачищаем нулевкой. У выводов 3 и 4 вывод 3 целый и он будет использован для подключения к клеммам.

При соединении выводов 1 и 2 нужно вставить в соединение еще и отгоревший вывод.

Ремонт конфорки закончен. Собираем все в обратном порядке. Перемычки на клеммах ставим на место. Все внешние провода подключаем к клеммам так, как и было до ремонта. Целесообразно еще проверить изоляцию конфорок. Как известно, для этого нужно измерить сопротивление на пределе мегаомм между клеммами конфорок и корпусом. Оно должно быть бесконечно большим, как при обрыве.
Проверяем конфорки в работе.

Схема конфорки с 4 контактами. Распространенные модели
В своей задумке нагревательные элементы для старых плиток не должны ломаться, но это все равно происходит. Связано это может быть с тем, что нагреватель плитки долгое время работает вхолостую после того, как его забыли выключить, или происходит резкий скачок напряжения, который сказывается на конфорке. Если на поверхности ТЭНа видны механические повреждения в виде трещин, тогда можно точно сказать, что он разогревался до очень высоких температур. Изначально схема по подключению находится в паспорте изделия. В случае его удовлетворительного состояния ее легко уточнить, но чаще всего такие документы утеряны или их уже выбросили, тогда можно воспользоваться руководством, которое будет дано в статье.
Электра является одной из тех плит, которые устанавливались в новостройках или докупались самостоятельно. Речь идет о плите с модельным номером 1002. Схема, которая была разработана конструкторами для подключения не отличается особой сложностью, поэтому разобраться сможет даже человек, далекий от электричества. На верхней части плиты находится четыре нагревательных элемента. Каждый из них обозначается цифрой от 1 до 4 и имеет буквенный индекс «Н». Первые две конфорки плиты являются именно ТЭНами, т. е. трубчатыми нагревателями. Элемент под порядковым номером 3 выполнен из чугуна и имеет большой диаметр в 20 см. Четвертый элемент выполнен подобно третьему, но его диаметр немного меньше и составляет 14 см.
На каждую конфорку плиты идет свой переключатель. Они также имеют цифровое обозначение, но первые два имеют приставку из буквы «Р», а третий и четвертый – из буквы «П». Последние имеют преимущество регулировки мощности на семь ступеней, что позволяет выбрать требуемый режим. Духовой шкаф плиты имеет отдельный регулятор на три положения. Он обозначается сокращением «ПШ». Индикаторные лампы на схеме имеют обозначение буквой «Л» и порядковым номером от 1 до 4, который также соответствует и номеру конфорки. Для духового шкафа также есть своя лампа, которая обозначена цифрой 5. В духовке находятся еще два нагревательных элемента, которые обозначены цифрами 5 и 6 с соответствующей буквой. Седьмой нагреватель находится в верхней части духовки и представляет собой гриль.
Замена любого из ТЭНов заключается в том, что он первым делом демонтируется с плитки. Для этого придется снять защитные колпаки и планки. Во время разборки можно проследить, куда в плите уходят проводники от конкретного нагревателя. Если провода расплавились, тогда уточнить этот момент можно по схеме, которая приведена выше. На ней также находится порядок подключения питающей линии. Новый нагреватель просто устанавливается в плиту, фиксируется и подключается.
Еще более популярной, чем Электра, была плита Мечта с модельным номером 8. Она представляет собой небольшую духовку, на верхней грани которых располагается два ТЭНа. На схемах к этой плите нагреватели, которые находятся на конфорках обозначаются цифрами 1 и 2, рядом с ними находится буквенный индекс «Е». Нагреватели с 3 по 5 находятся внутри духовки. Основной модуль, благодаря которому выполняется настройкой обозначается цифрами 1 по 4 и имеет индекс S. В конструкции предусмотрены световые индикаторы. Они могли сигнализировать о работе конфорок, ТЭНов внутри духовки и просто подсветку. В паспорте они обозначены как HL и имеют цифры от 1 до 3.
В плите реализована возможность управления интенсивностью нагрева. Оно производится переключателем S1. Благодаря замыканию контактов электрический ток поступает от вилки, которая обозначена XP и через предохранитель F подается на нагреватель, который находится в духовке. Он соединен последовательно с остальными ТЭНами, которые находятся в духовке. Это означает, что до того, как выполнить замену, необходимо определить, какой конкретно нагреватель вышел из строя. Сделать это можно изменением положения переключателя в такое положение, чтобы питание подавалось отдельно на один или два нагревателя в духовке. Для каждой конфорки также есть свой переключатель. На схеме обозначено, как идут провода для подключения каждого отдельного нагревателя.