Как подключить варочную панель gorenje к электросети. Индукционная панель: подключение по шагам
- Как подключить варочную панель gorenje к электросети. Индукционная панель: подключение по шагам
- Установка индукционной плиты в столешницу. Разметка
- Как подключить газовую варочную панель к электросети. Советы по подключению
- Kuchenchef KHI601 подключение. Инструкция: Варочная панель электрическая Kuchenchef KHI601 индукционная
- Как включить варочную панель gorenje. Выключение конфорок…
- Как подключить индукционную плиту. Как правильно подключить варочную индукционную панель. Схемы, выбор кабеля, розетки, автоматов.
- Подключение варочной панели без заземления. Теория подключения панели
- Как подключить варочную панель bosch. Подключение варочной панели к электросети: пошаговая инструкция
Как подключить варочную панель gorenje к электросети. Индукционная панель: подключение по шагам
Подключение варочной индукционной панели к сети принципиально не отличается от установки обычной варочной панели, чтобы в этом убедиться, ниже представлена пошаговая инструкция. Рассмотрим, как производится подключение индукционной панели к питающей сети.

Фото: монтаж индукционной панели
Шаг 1. Шнуры питания бывают 2-х видов: трехжильные, ранний вариант, и четырех- жильные, более новый вариант. Для подключения встраиваемой панели, необходимо приобрести шнур питания, который будет соответствовать вашей силовой розетке на кухне.
Шаг 2. Откройте крышку для подключения. Ищите на обратной стороне панели прямоугольник, закрытый металлической пластиной. Отвинтите его при помощи отвертки.

Схема подключения варочной панели
Шаг 3. Соединяем шнур и клеммы.
После удаления задней крышки, нужно найти клеммы прибора. Сначала вставьте кабельный зажим в отверстие. Шнур удерживаем при помощи пластины. Это нужно, чтобы избежать выпадения провода. Затем запустите шнур через кабельный зажим. Пока что винты не затягиваем.

Соединение с клеммами
Шаг 4. Удалить медную пластинку.
Прямо над отверстием нужно найти провода. Если производится подключение индукционной плиты старого образца, то там должно быть три провода, если новую модель, то будет четыре провода: два фазных, один нейтральный и один заземления.
Нейтральная клемма расположена в центре, фазные провода по обе стороны от него, и клемма заземления находится снизу. Перед началом подключения проводов, нужно проверить, есть ли медная перемычка, соединяющая нейтральные и заземляющие провода. Если обнаружили её – просто отсоедините.
Шаг 5. Подключите провода.
Совместите провода с клеммами. Подключение кабеля к панели осуществляют коричневый провод фазы, нейтральным провод синего цвета и желто-зеленый заземляющий провод.
Чтобы подключить провода, нужно будет открутить винты клеммного соединения и установить провод на их место.
Первым производим подключение заземления, это желто-зеленый провод. Затем нейтрали (синий провод). После этого подключаем фазный провод коричневого цвета к одной из двух фазных клемм. Между двумя фазными клеммами устанавливаем медную перемычку, которую мы сняли с нейтрального провода. Данное подключение подходит для квартир, где используется питающее напряжение 220 В. Затяните винты крепление подводящего кабеля.
Проверьте прочность всех соединений, в противном случае не выдержит автомат и понадобится ремонт не только клеммника индукционной панели, но и всей проводки.
Установка индукционной плиты в столешницу. Разметка
От того, насколько точно будет проведена разметка, зависит внешний вид готовой кухни, а ошибка даже в половину сантиметра заставит приобретать новую столешницу.
Разметку можно провести двумя способами:
- положить устройство на место и обвести маркером;
- рассчитать и разметить место крепления с точностью до миллиметра.
Несмотря на кажущуюся простоту и привлекательность первого пути, шансов ошибиться и нанести неправильную разметку очень много.

Предварительная примерка размеров
Гораздо надежнее размечать место установки путем тщательных расчетов:
- На поверхность столешницы наносятся границы внутреннего пространства тумбы, над которой будет размещена варочная панель. Таким образом, будет обозначено место, в пределах которого будет вестись работа. Разметку нужно наносить карандашом, чтобы по окончании работ линии можно было легко стереть. Если столешница не позволяет нанести хорошо видимые линии, то на ее поверхность следует наклеить бумажный малярный скотч, а уже на нем рисовать разметку.
- Необходимо найти будущий центр отверстия, в которое установится корпус. Для этого на столешнице чертятся диагонали прямоугольника, образованного передней и задней частями столешницы и начерченными границами тумбы.
- В точке пересечения нанесенных диагоналей и будет размещаться центр варочной панели. Через нее нужно провести две прямые линии: одну параллельно краю столешницы, другую – перпендикулярно.
- На этих прямых нужно отметить габариты встраиваемой части корпуса. Их можно посмотреть в технической документации или померить самостоятельно. Эти размеры следует увеличить на 1-2 мм, чтобы впоследствии удобнее установить прибор.
- Через нанесенные отметки проводятся прямые линии (параллельно и перпендикулярно краю столешницы). Они образуют прямоугольник, в точности соответствующий заглубляемой части корпуса и расположенный по центру столешницы.
- Необходимо проконтролировать, чтобы между линиями окончательной разметки и окружающими предметами было соблюдено минимальное расстояние, указанное производителем в технической документации.
- Полученный прямоугольник необходимо обвести маркером, а лишние линии стереть, чтобы не ошибиться при прорезании отверстия.
Как подключить газовую варочную панель к электросети. Советы по подключению
Сам процесс – как подключить варочную панель к электросети, достаточно прост. Понадобятся следующие инструменты и комплектующие:
- Ударная дрель, которая прикреплена к сверлу определённого размера, чтобы просверлить стену.
- Пластиковые вставки.
- Крепёжные винты для контейнера.
- Винты для монтажа розетки.
- Отвёртка.
- Нож, чтобы очистить концы обжимных проводов.
- Изолента.
В целом, план, как установить варочную панель безопасно и самостоятельно должен выглядеть таким образом:
- Разъёмы могут быть подключены непосредственно через клеммы пластины. Чтобы получить к ним доступ, отсоедините крышку на задней поверхности, снимите предохраняющее устройство.
- Акцентируем внимание на цветовой маркировке проводов и оттенке подключаемых клемм. Однофазная сеть требует применения красного провода с перепонкой.
- Использование вилки с клеммой заземления, требует подсоединения жёлто-зелёного провода.
Грамотное и безопасное подключение предварительно требует информации о параметры сети, заведённой в ваше жилье. От данных технических параметров выбирается алгоритм подключения.
Алгоритм подключения панели к однофазным сетям
Данный вариант возможен, если в стену вмурован провод из трёх жил.
Чтобы установить панель, требуется осуществить следующие шаги.
- Откручиваем отвёрткой пластинку, расположенную позади панели.
- Используйте перемычки для соединения первой, второй и третьей клемм. Подключение фазы осуществляется с использованием коричневой, чёрной или белой жилы
- Присоединяем жилу синего оттенка к нулям. Это четвёртый и пятый номера.
- Кабеля для варочных поверхностей подводятся к защитной клемме (жёлтая).
- Затягиваем крепёжные винты.
- Требуется проверить надёжность и плотность соединений, и функционирование изделия.
Предварительным этапом подключения стоит проверка технического состояния розеток. При необходимости – провести замену.
Kuchenchef KHI601 подключение. Инструкция: Варочная панель электрическая Kuchenchef KHI601 индукционная
Извините, товара сейчас нет в наличии
Бесплатная доставка
по Красноярску
Извините, товара сейчас нет в наличии
Сравнить
Услуги:
Установка и подключение варочной поверхности
Цена: 900 р
Новости интернет-магазина «Лаукар»:
18.05.2021 Летняя акция на кухонные мойки и смесители Granula!!!
01.03.2021 Ищете подарки на 8 марта? У нас большой выбор!
25.02.2021 Акция! Выгодные цены на Варочные поверхности ELICA NIKOLATESLA PRIME
Дополнительная информация в категории Варочная панель электрическая:
Глоссарий терминов: Встраиваемые варочные панели
Как правильно выбрать встраиваемую варочную панель?
Таблица Авторизованных сервисных центров по брендам.
Описание Характеристики Инструкция Отзывы (0)
В интернет-магазине бытовой техники «Лаукар» Вы можете скачать инструкцию к товару Варочная панель электрическая Kuchenchef KHI601 индукционная совершенно бесплатно.
Все инструкции, представленные на сайте интернет-магазина бытовой техники «Лаукар», предоставляются производителем товара.
Перед началом использования товара рекомендуем Вам ознакомиться с инструкцией по применению.
Для того чтобы скачать инструкцию, Вам необходимо нажать на ссылку «скачать инструкцию», расположенную ниже, а в случае, если ссылки нет,
Вы можете попробовать обратиться к данной странице позднее,
возможно специалисты интернет-магазина бытовой техники «Лаукар» еще не успели загрузить для скачивания инструкцию к товару: Варочная панель электрическая Kuchenchef KHI601 индукционная .
Как включить варочную панель gorenje. Выключение конфорок…
Страница 12
- Изображение
- Текст
394486
Выключение конфорок
• Выберите конфорку, которую необходимо выключить. • Сенсором – установите степень нагрева 0. Если на всех конфорках установлена степень нагрева 0,
варочная панель выключится через 20 секунд.
Функция защитной блокировки позволяет предотвратить включение варочной панели и отдельных конфорок, поэтому функцию блокировки можно также использовать в качестве блокировки от детей.
Включение блокировки
• Варочная панель должна быть выключена. • Включите варочную панель сенсором А. Все цифровые
индикаторы показывают 0.
• Одновременно нажмите и удерживайте 3 секунды сенсор
С задней левой конфорки и сенсор –. После звукового сигнала на всех цифровых индикаторах загорится символ L, который исчезает через несколько секунд. Блокировка включена.
Выключение блокировки
• Включите варочную панель сенсором А. Все цифровые
индикаторы показывают символ L.
• Одновременно нажмите и удерживайте 3 секунды сенсор
С задней левой конфорки и сенсор –. На всех цифровых индикаторах загорится символ L. Блокировка выключена.
При индукционном нагреве конфорка нагревается не напрямую, а за счет тепла от дна посуды, поэтому варочная панель оборудована индикаторами остаточного тепла. После выключения конфорки или варочной панели на цифровом индикаторе конфорки загорается символ Н, обозначающий, что конфорка горячая. Остаточное тепло можно использовать для поддержания температуры приготовленных блюд. Продолжительность индикации рассчитана с учетом степени нагрева и зависит от того, как долго конфорка была включена. После выключения символа Н
конфорка в некоторых случаях (отключение электроэнергии, на конфорке стоит горячая посуда) может оставаться горячей. Осторожно: опасность ожога!
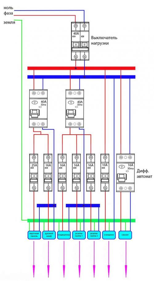
Как подключить индукционную плиту. Как правильно подключить варочную индукционную панель. Схемы, выбор кабеля, розетки, автоматов.
При подключении варочной панели можно столкнуться с проблемами, которые заставляют задуматься не только рядового пользователя, но и опытного электрика:
Подробно рассмотрим все эти моменты далее. Но сперва определимся с возможными дополнительными закупками. Чтобы подключить варочную панель вам понадобятся следующие материалы:
Кабель электропроводки для подключения
Перво-наперво уясните для себя, что варочная панель должна подключаться отдельной линией электропроводки непосредственно с распредщита. Не допускается запитывать ее от существующей общей распредкоробки на кухне или уже смонтированных розеток.
Кабель должен быть обязательно трехжильным и медным, а какой марки ВВГнГ-Ls или NYM решать вам. Какой кабель лучше и чем они отличаются можно подробно прочитать в статье «4 отличия NYM от ВВГнГ-Ls».

Самое главное правильно подобрать сечение. Свод правил СП31-110-2003 составленный на основании ГОСТ и ПУЭ гласит, что для плит необходимо выбирать сечение минимум 6мм2. 
Но судя по всему здесь речь идет о предварительном монтаже проводки в квартире, когда еще не известно какой мощности варочная панель будет установлена. Поэтому изначально и должно закладываться сечение 6мм2, достаточное для подключения большинства существующих моделей.
Если ваша мощность меньше чем 7квт, и вы уверены, что в будущем не будете покупать новую более энергоемкую плиту, то можно ориентироваться по следующей таблице: 
А что делать, если кабель уже проложен (ВВГнг-Ls 3*2,5мм2), но он оказался меньшего сечения, чем нужно для максимально возможной мощности варочной панели (7,2квт). При этом заново штробить стены нет ни возможности, ни желания.
В этом случае, можно обезопасить себя двумя способами, правда придется смириться с тем, что вы не сможете пользоваться всей мощностью панели:
- установить в щитке выключатель исходя из номинального сечения кабеля, а не мощности плиты (смотри по таблице выше, согласно сечению)
- программно задать режим работы панели, при котором не возможно будет включение одновременно всех конфорок
То есть, если вы еще не знаете какая у вас будет варочная поверхность, смело закладывайте 6мм2. Только имейте в виду, что маломощные панели имеют небольшого размера клеммники, не рассчитанные на 6мм2. И корректно, напрямую подключить такой провод не всегда удобно, можно и выломать зажим.
Подключение индукционной варочной поверхности в щитке
Обязательное условие монтажа варочной панели и духового шкафа — это подключение этих приборов через УЗО+автомат, либо дифференциальный автомат с током утечки 30мА.
Простые автоматические выключатели не смогут обеспечить защиту в случае повреждения изоляции и утечки на корпус.
- В щитке фазный провод кабеля (обычно для фазы выбирают коричневый, серый или другие цвета кроме синего и желто-зеленого) подключают к нижней клемме диффавтомата без надписи N или с цифрой 2

- Нулевую жилу (выбирайте провод синего цвета) — к клемме снизу, имеющей маркировку с латинской буквой N

Розетка и вилка для варочной панели
Если вы не намерены заводить кабель напрямую в панель, то вам придется устанавливать под нее отдельную розетку.
Использование вилки более удобный вариант в части обслуживания и эксплуатации варочной панели.
Например при влажной уборке панель должна быть обесточена. Если у вас нет розетки, придется по два раза бегать к щитку и отключать автомат. А так выдернул вилку, протер поверхность и подключил обратно.
Розетка должна устанавливаться на удобной высоте. Рекомендуемое расстояние от пола — до 90см.
При этом не допускается, чтобы подрозетник находился на одном уровне с варочной панелью. Лучше всего будет разместить ее справа или слева от прибора.
Если вы хотите рядом установить еще и духовой шкаф, то розетка должна находится ниже уровня духовки. Обычно это расстояние на уровне ножек кухни. 
Слишком близко к полу делать также нельзя, имейте в виду вероятность затопления и протечек водопровода!
Подключение варочной панели без заземления. Теория подключения панели
Варочная панель, встраиваемого типа подключается к отдельной линии с розеткой, способной выдержать ток от 32 до 40 А и обеспечить надежное заземление. Подводящий кабель содержит три медных провода, сечением не менее 4 мм². Современная электропроводка в квартире также позволяет произвести подключение к четырехпроводному кабелю питания.
Розетки для подключения панелей бывают двух типов:
- с тремя контактами;Подключение варочной панели к одной фазе
- с четырьмя контактами.
Розетки и кабеля панелей
Если самостоятельно производить подключение варочной панели с имеющейся вилкой на конце кабеля, то это не составит труда. Но для подключения к питающей сети кабеля от плиты, где нет на конце вилки, уже нужны определенные знания.
К примеру, от панели отходит кабель, у которого четыре жилы, а со стены выходят только три провода питания. Это означает, что панели нужно подключение из двух фаз, а в квартире только одна.
В данном случае технология такая: коричневый и черный провод из кабеля от варочной панели скручивают вместе, и подключают к фазному проводу, линии питания, который выходит из стены. Синий провод кабеля ( нейтраль) соединяют с нулевым проводом питания. Остается защитный провод заземления желто-зеленого цвета, его подключают к такому же проводу заземления в линии питания.
В том случае, если из стены отходят провода одного цвета, при помощи мультиметра нужно выяснить, какой из них ноль, а какой фаза, и определить целостность заземляющего проводника. Получившееся соединение проводов необходимо заизолировать.Перед подключением варочной панели, на кабеле которого уже есть вилка, необходимо обязательно проверить соответствие проводов питания и контактов внутри розетки. Иногда они могут отличаться. Для этого розетка разбирается, и с помощью мультиметра определяется соответствие подключения, при необходимости провода меняются местами.
Как подключить варочную панель bosch. Подключение варочной панели к электросети: пошаговая инструкция
Встроенные в столешницы варочные панели довольно активно вытесняют с рынка традиционные электрические плиты. Широкий набор функций, современный внешний вид, безопасность и простота в эксплуатации привлекают к себе все большее количество пользователей. Но не все из них знают, что иногда такие панели вызывают много сложностей при установке и не всегда рекомендуются специалистами к использованию.
Существующие технические требования
Настоятельно советуем перед принятием решения о приобретении варочной плиты проанализировать индивидуальные возможности.
- Тип электрических сетей. Они могут быть современными с заземлением и нулевым проводом или старого образца только с нулевым проводом. Такие электрические проводки не соответствуют существующим требованиям по безопасности эксплуатации электрических приборов. Особенно тех, которые могут иметь прямые контакты с жидкостями. Варочные плиты относятся к таким аппаратам.
- Мощность. В зависимости от числа панелей изменяется мощность, в среднем она составляет 5-7 кВт, некоторые модели могут иметь мощность 10 кВт. Это очень большая дополнительная нагрузка на сети, старые проводки ее не выдерживают. Интересно знать, что в домах, построенных 30 лет и более тому назад, электрическая проводка и все УЗО рассчитывались на общую мощность 3 кВт. Провода алюминиевые, в распределительных коробках скрутки, заземления нет. Такие проводки не могут выдерживать значительного увеличения нагрузок.
- Необходимость получать разрешение от владельцев энергетических сетей. Это вызвано тем, что не все трансформаторы высокого напряжения имеют большой запас по резервной мощности, резкое увеличение потребителей может стать причиной возникновения аварийных ситуаций.
